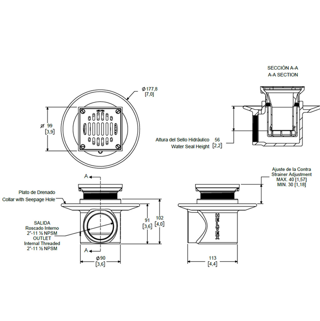
Este modelo ofrece una coladera vertical corta con rejilla cuadrada desmontable, ideal para áreas con entrepisos reducidos.
Combina rejilla de acero inoxidable, cuerpo de hierro fundido y sello hidráulico que evita olores. La salida lateral la hace versátil para instalaciones de baño o zonas de servicio.






Este modelo ofrece una coladera vertical corta con rejilla cuadrada desmontable, ideal para áreas con entrepisos reducidos.











