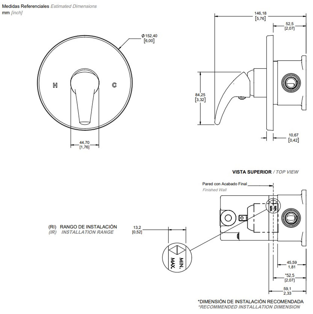
Mezcladora de ducha o tina sin desviador, en acabado ébano mate.
Mezcladora de regadera moderna, tipo Mantiss, fabricada en latón cromado con cartucho cerámico.
Plateado
Brillante
10×17 cm
Latón